编者按:为了让业内新政策、新理念、新科技、新材料、新产品、新项目、新经验等创新亮点得到更快更好的传播和推广,助推装配式建筑持续健康发展,本行业平台自去年11月起,开辟了一个新栏目——《筑说》。栏目以人物对话文字实录加音频、视频、图片的形式呈现,内容包括地方说、专家说(高端访谈)、企业说、项目说,迄今已经推送三十多期。敬请全国各装配式建筑示范城市、装配式建筑产业基地企业、国家装配式建筑产业技术创新联盟企业及专家、装配式建筑示范工程项目、装配式建筑科技创新基地等,踊跃赐稿或提供采访线索。
联系邮箱:546665581@qq.com
联系电话:010-66238815
本期为大家推介的是:“尖山印象“装配式建筑项目案例剖析——结构设计篇
继上一期“筑说·项目说|‘尖山印象’装配式建筑项目案例剖析”对该项目的建筑设计内容进行详细介绍之后,小编又给大家带来了该项目的结构设计内容。
以下内容节选自《预制装配式建筑工程案例》:
3.2结构设计3.2.1设计标准和配套设计图集
结构设计依据标准:
《建筑结构可靠度设计统一标准》GB50068-2001
《建筑结构荷载规范》GB50009-2012
《建筑抗震设计规范》GB50011-2010(2016年版)
《砌体结构设计规范》GB50003-2011
《建筑桩基技术规范》JGJ94-2008
《装配式混凝土结构技术规程》JGJ1-2014
《装配式混凝土建筑技术标准》JB/T51231-2016
《建筑工程设计文件编制深度规定》2008版
《高层建筑混凝土结构技术规程》JGJ3-2010
《建筑抗震设防分类标准》GB50223-2008
《混凝土结构设计规范》GB50010-2010(2015年版)
《建筑地基基础设计规范》GB50007-2011
《地下工程防水技术规范》GB50108-2008
结构设计配套图集:
《装配式混凝土结构连接节点构造》(楼盖结构和楼梯)15G310-1
《装配式混凝土结构连接节点构造》(剪力墙结构) 15G310-2
《预制混凝土剪力墙外墙板》15G365-1
《预制混凝土剪力墙内墙板》15G365-2
《桁架钢筋混凝土叠合板》(60mm厚底板)15G366-1
《预制钢筋混凝土板式楼梯》15G367-1
《预制钢筋混凝土阳台板、空调板及女儿墙》(剪力墙结构)15G368-1
《混凝土结构施工图平面整体表示方法制图规则和构造样图》16G101-1
3.2.2结构体系选择
本项目采用装配整体式现浇剪力墙结构,即现浇剪力墙搭配叠合水平构件、预制外墙挂板、预制内隔墙的技术体系,此种结构体系避免了结构主体竖向的拼接,同时也可以解决外保温寿命短、外墙渗漏水严重等现浇筑结构中常遇到的难题,实现外墙的结构保温和装饰一体化,实现免砌筑;在搭配使用铝模板的情况下,也可以省去抹灰等后续工作。预制外墙挂板在工厂内完成了贴砖、饰面、保温等多道现场施工困难且不易保证质量的工序,且在工厂可加工任意形式的立面,大大降低了高层建筑结构外立面施工的难度,提高了施工质量和安全性。结构体系中竖向构件均为现浇,其适用范围、最大适用高度等与现浇结构相同。
而预制剪力墙结构体系在采用套筒灌浆连接技术时,要求套筒及竖向连接钢筋的定位必须精准,浇筑混凝土前须对套筒所有的开口部位进行封堵,以防在套筒灌浆前有混凝土进入内部影响灌浆和钢筋的连接效果。虽然套筒灌浆连接技术保障了装配整体式剪力墙结构的可靠性,但由于其存在构件生产要求精度高、施工工序繁琐的问题,且由于剪力墙内竖向钢筋数量大,竖向钢筋连接时仍会存在成本高、生产施工难度大等问题。
本项目综合考虑项目的整体经济、技术指标和生产、施工的便捷性与可靠性,选择了装配整体式现浇剪力墙结构体系。
3.2.3结构设计说明:
项目概况:本工程为尖山印象公租房项目,33层,首层架空层层高4.800米,标准层层高2.900米,建筑总高度97.550米,装配整体式现浇剪力墙结构。
设计信息:主体结构的设计使用年限为50年,建筑结构安全使用等级为二级。根据《中国地震参数区划图》,该工程所在地的地震基本烈度为6度,设计地震分组为第一组,设计基本地震加速度值为0.05g,场地类别为Ⅱ类
分类等级:本工程建筑结构安全等级为二级;地基基础设计等级为甲级;抗震设防类别为丙类;剪力墙抗震等级为三级;建筑防火分类及耐火等级为一级。
结构材料:混凝土强度等级:墙柱C55~C35,梁板C35,钢筋:HRB400级钢筋,HRB400E级抗震钢筋,其中抗震等级为一级、二级、三级的框架和斜撑构件(含梯段),其纵向受力钢筋采用普通钢筋时,钢筋的抗拉强度实测值与屈服强度实测值的比值应≥1.25;钢筋的屈服强度实测值与屈服强度标准值的比值应≤1.30,且钢筋在最大拉力下的总伸长率实测值应≥9%。
结构构件设计:本工程项目竖向受力构件采用全现浇剪力墙,水平受力构件采用叠合梁、叠合板。预制结构构件包括叠合梁、叠合板、叠合阳台、预制楼梯;
非结构构件设计:本项目预制非结构构件包括外墙挂板、预制隔墙、预制空调板、预制女儿墙。
内装修:内隔墙采用轻钢龙骨石膏板内隔墙。
3.2.4预制构件设计说明:
一、叠合梁
1、预制梁与后浇混凝土叠合层之间的结合面应设置粗糙面,预制梁端面应设置键槽且宜设置粗糙面,键槽的深度不宜小于30mm,宽度不宜小于深度的3倍且不宜大于深度的10倍;键槽可贯通截面,当不贯通时槽口距离截面边缘不宜小于50mm,键槽间距宜等于键槽宽度,键槽端部斜面倾角不宜大于30°。为了保证梁的粘接强度,应严格按施工缝的处理措施来处理现浇剪力墙、柱及叠合梁节点接合面,包括清除垃圾、水泥浮浆层,在接合面形成凹凸差不小于6mm粗糙度的粗糙面,充分湿润(不宜小于24小时),在施工前涂刷界面剂或采用高标号水泥砂浆接浆。
2、叠合梁的设计和施工注意事项应满足普通钢筋混凝土梁的BIM工程师要求。
3、由于设备要求需要在梁上开洞或留设预埋件,应严格按照设计图纸的要求施工。当设计图未作交待时,一般应按下图(图3.2.4-1)要求加设附加筋,浇灌钢筋混凝土梁前应仔细复核预留洞及预埋件是否符合相关设计要求。
图3.2.4-1梁上洞口加强筋
4、叠合梁的箍筋配置应符合下列规定:
①抗震等级为一、二级的叠合框架梁的梁端箍筋加密区宜采用整体封闭箍;
②采用组合封闭箍的形式时,开口箍筋上方应做成135°弯钩;非抗震设计时,弯钩端头平直段长度不应小于5d(d为箍筋直径);抗震设计时,平直段长度不应小于10d。现场采用箍筋帽封闭开口箍,箍筋帽末端应做成135°弯钩;非抗震设计时,弯钩端头平直段长度不应小于5d;抗震设计时,平直段长度不应小于10d。(如下图)
(b)采用组合封闭箍筋的叠合梁
图3.2.4-2叠合梁箍筋构造示意
1-预制梁;2-开口箍筋;3-上部纵向钢筋;4-箍筋帽;5-封闭箍筋
5、叠合梁十字交叉处,考虑吊装和施工工艺,同一个梁柱节点处X方向与Y方向的梁高应设置不小于50mm的高差。
二、叠合板
1、本项目中叠合板的现浇层厚度取70mm,预制层的厚度取60mm,除特别说明外,叠合板厚度为130mm(如图3.2.4-3)。
2、预制板出筋方向底筋伸出100mm且不小于5d及伸过支座中线。
3、施工过程中,叠合板现浇前,应在叠合板下设可靠支撑,使预制构件在二次成形浇筑混凝土的重量及施工荷载下,不至于发生影响内力的变形。
4、为了保证板粘接强度,应严格按施工缝的处理措施来处理板预制层与现浇层接合面,包括清除垃圾、水泥浮浆层,在接合面形成凹凸差不小于4mm粗糙度的毛面,充分湿润(不宜小于24小时),在施工前涂刷界面剂或采用高标号水泥砂浆接浆。
5、叠合楼板的拆分需考虑生产模具的要求,一般短边需小于3.2m。
图3.2.4-3预制楼板示意图
三、叠合阳台
1、本项目中叠合阳台板的现浇层厚度取70mm,预制层的厚度取60mm,叠合阳台板厚度为130mm,阳台板下沉30mm。
2、叠合阳台板其他构造及施工要求同叠合板。
四、楼梯板
1、预制装配楼梯板宜为整体预制构件(如图3.2.4-4)。
2、预制装配楼梯板的厚度不宜小于120mm。
3、预制楼梯与支承构件之间宜采用简支连接,采用简支连接时,预制楼梯宜一端设置固定铰,另一端设置滑动铰,其转动及滑动变形能力应满足层间位移的要求,且预制楼梯端部在支承构件上的最小搁置长度应满足《装配式混凝土结构技术规程》JGJ1-2014表6.5.8的规定。
4、预制楼梯设置滑动铰的端部应设置防止滑落的构造措施。
图3.2.4-4预制楼梯示意图
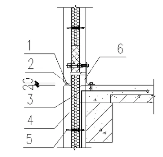
五、预制外墙挂板
1、外围护结构采用预制混凝土外墙挂板,外墙挂板与主体结构的连接节点应具有足够的承载力和适应主体变形的能力。
2、外墙挂板和连接节点的结构分析、承载力计算和构造要求应符合国家现行标准《混凝土结构设计规范》GB50010-2010(2015年版)、《装配式混凝土结构技术规程》JGJ1-2014、《装配式混凝土建筑技术标准》JB/T51231-2016有关规定。
3、抗震设计时,外墙挂板与主体结构的连接节点在墙板平面内应具有不小于主体结构在抗震设防烈度地震作用下弹性层间位移角3倍的变形能力。
4、外墙挂板最外层钢筋的混凝土保护层厚度除有专门要求外,应符合下列规定:
①对石材或面砖饰面,不应小于15mm;
②对清水混凝土,不应小于20mm;
③对漏骨料装饰面,应从最凹处混凝土表面算起,且不应小于20mm。
5、外挂墙板间接缝构造应符合下列要求:
①接缝构造应满足防水、防火、隔声等建筑功能要求;
②接缝宽度应满足主体结构层间位移、密封材料的变形能力、施工误差、温差引起的变形,且不应小于15mm。
6、外墙挂板内外叶间通过玻璃纤维筋连接,当玻纤筋与其他预埋件干涉时,可适当移动玻纤筋。
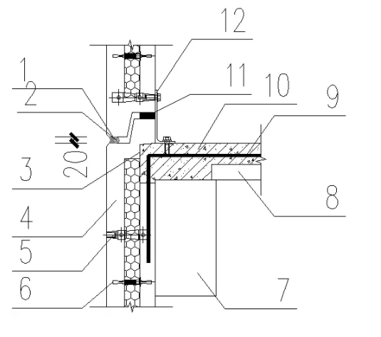
7、外墙挂板与梁的结合面应采用粗糙面并设置键槽,外墙挂板通过墙板侧面和上部的预留钢筋或螺栓锚入结构梁、墙中,与主体相连,外墙挂板不作为主体结构的组成部分(如图3.2.4-5)。
图3.2.4-5外挂板示意图
六、预制内隔墙
1、当填充墙采用预制轻质隔墙时,与梁底用A6@200拉接钢筋相连(可与叠合梁在工厂连接成整体)。
2、预制轻质填充墙体的具体工艺设计和制造均应在满足建筑消防耐火、结构荷载计算、现场施工吊装的要求基础上尽量减轻其自重。
3.2.5节点设计
一、叠合梁和叠合板的连接
图3.2.5-1 预制叠合梁板连接做法(出筋方向)
1-预制叠合梁;2-预制叠合楼板;3-桁架;4-楼板现浇层
图3.2.5-2 预制叠合梁板连接做法(非出筋方向)
1-预制叠合梁;2-预制叠合楼板;3-桁架;4-楼板现浇层
5-拼缝钢筋(间距≤250);6-附加通长构造钢筋
二、外挂板的竖向连接
1-建筑密封胶;2-发泡聚乙烯棒;3-墙板槽口130*130*50;4-夹心三明治外挂板;5-外爬架套筒;6-玻璃纤维筋;7-叠合梁预制层;8-叠合楼板预制层;9-连接钢筋;10-混凝土现浇层;11-企口;12-限位连接件
图3.2.5-3外墙挂板上下连接节点一
注:图3.2.5-3外墙挂板上下混凝土封边,增加企口强度。外墙挂板水平缝设置企口,企口主要用于防水,且在施工浇筑楼板现浇层时有利于阻止混凝土溢出。当设置企口时,施工时应注意水平企口不被破坏。
1-建筑密封胶;2-发泡聚乙烯棒;3-墙板槽口130*130*50;4-夹心三明治外挂板;5-玻璃纤维筋;6-企口
图3.2.5-4外墙挂板上下连接节点二
注:图3.2.5-4采用全断桥方式,适合节能要求较高的地区。外墙挂板水平缝设置企口,企口主要用于防水,且在施工浇筑楼板现浇层时有利于阻止混凝土溢出。当设置企口时,施工时应注意水平企口不被破坏。
综上所述,外墙挂板水平接缝宜采用高低缝或企口接缝构造,结合材料防水达到防水作用,企口形式及尺寸可根据需求设计,令构件易生产,施工易操作。
三、楼梯的连接(搁置式楼梯)
1-休息平台;2-预制楼梯;3-水泥砂浆找平层;4-锚头;5-注胶;6-PE棒;7-聚苯填充;8-灌浆料;9-砂浆封堵
图3.2.5-5搁置式楼梯
3.2.6本项目特点
1、本项目塔楼均采用装配整体式现浇剪力墙结构,剪力墙抗震等级为三级。结构嵌固部位为地下室顶板。
2、项目底部加强区采用现浇混凝土结构,底部加强区以上采用装配整体式现浇剪力墙结构,外挂墙板作为外围护,兼具剪力墙外模板的作用。
3、考虑项目总体经济指标,结构平面布置中不设置次梁。
4、本工程洗手间采用的是预装配式房屋制沉箱,下沉400mm;空调板采用全预制空调板;阳台采用叠合阳台。
3.2.7小结
1、装配整体式现浇剪力墙结构体系适用的地域和高度
承重构件(剪力墙、框架柱)现浇+水平构件(楼板、框架梁)叠合的技术体系原则上适用于任何区域,其最大适用高度根据建筑的结构类型、所处区域抗震设防烈度、建筑抗震设防分类等因素,满足现行《抗震设计规范》GB50011-2010(2016年版)、《高层建筑混凝土结构技术规程》JGJ3-2010、《装配式混凝土结构技术规程》JGJ1-2014、《装配式混凝土建筑技术标准》GB/T51231-2016和相关的地方规程规范的要求,对于高度超过50米的框架结构、筒体结构和复杂高层结构,应注意采取可靠措施(加厚叠合楼盖现浇层厚度,加大现浇层的配筋等)增强叠合楼板的整体刚度。
2、装配整体式现浇剪力墙结构体系技术要点
①在装配整体式现浇剪力墙结构体系中,外墙挂板作为围护结构,需在墙板的顶部边缘预留钢筋与键槽,与主体结构梁或者板连接并后浇混凝土形成可靠连接。
②装配整体式现浇剪力墙结构体系既要保证外墙挂板本身的安全以及与主体结构连接的安全性,又要避免对主体结构的刚度及内力分布造成不利影响。
③外墙挂板与主体结构之间、挂板之间缝隙要进行防水、防火、隔声、保温等处理措施,缝隙要避免刚性材料填充;
④外墙挂板除与主体结构的可靠连接外,还需要平面外的定位、限位措施。
因版权问题,小编只能带给大家该项目的建筑设计和结构设计部分,该项目还有设备设计、PC深化设计、施工管理等内容。以上内容均节选自《预制装配式建筑施工技术系列丛书》中的《预制装配式建筑工程案例》一书,有兴趣的读者可以扫描下方二维码,直接购书阅读更多项目内容。
本丛书梳理长沙远大住宅工业集团二十多年来的研究成果,总结了适用于现阶段我国装配式建筑施工的相关经验,涵盖了装配式建筑施工过程中的“设计及施工策划”、“主体施工”、“防水施工”、“整体浴室安装”等多个内容。
丛书共七本,包含《预制装配式建筑施工要点集》、《预制装配式施工问题与防治200例》、《预制装配式别墅图集》、《预制装配式混凝土管廊技术指南》、《预制装配式建筑监理质量控制要点》、《预制装配式混凝土结构工程量清单计价》、《预制装配式建筑工程案例》。

BIM建筑网











